擴散硅壓力變送器
- 擴散硅壓力變送器產品概述系列壓力變送器具有工作可靠、性能穩定、安裝使用方便、體積小、重量輕、性能價格比高等特點,能在各種正負壓力測量中得到**運用。系列壓力變送器采用進口擴散硅或陶瓷芯體作為壓力檢測元···
在線咨詢

- 質量穩定
- 價格合理
- 交貨快捷
- 潤中儀表為您提供全套壓力變送器系列解決方案
- 銷售:0517-86917118????15601403222 、 13915181149
- 傳真:0517-86917118
- 地址:江蘇省淮安市金湖縣金荷路201號
在線咨詢

擴散硅壓力變送器產品概述
系列壓力變送器具有工作可靠、性能穩定、安裝使用方便、體積小、重量輕、性能價格比高等特點,能在各種正負壓力測量中得到**運用。
系列壓力變送器采用進口擴散硅或陶瓷芯體作為壓力檢測元件,傳感器信號經高性能電子放大器轉換成0~ 10mA或4~ 20mA統一輸出信號。可替代傳統的遠傳壓力表、霍爾元件、差動變送器,并具有DDZ- I及DDZ- II型變送器性能。能與各種型號的動圈式指示儀、數字壓力表、電子電位差計配套使用,也能與各種自動調節系統或計算機系統配套使用。**用于電力、石化、機械、冶金等行業及各種能源計量領域
擴散硅壓力變送器主要技術參數
|
精度等級 |
0.3級基本誤差+0.3% |
輸出特性 |
①0~ 10mA輸出,負載電阻0~ 1.5KO !②4- -20mA輸出,負載電阻0 ~ 6000③恒流輸出內阻大于10MO④二線制4-20mA輸出 |
|
0.5級基本誤差+0.5% |
標準供電 |
DC24V |
|
|
非線性誤差 |
0.3級≤+0.3% FS |
防爆標志 |
(RPT- II ): Exia I CT4-6 |
|
0.5級≤+0.5% FS |
|
|
|
|
滯后誤差 |
≤士0.3% FS |
|
|
|
不靈敏區 |
≤+0.3% FS |
|
|
擴散硅壓力變送器測量范圍
表 壓:0-5kPa ~ 100MPa
絕 壓:0-20kPa ~ 100MPa
密封表壓:0-7MPa ~ 120MPa
負 壓: -100kPa ~ 700kPa
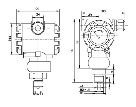
擴散硅壓力變送器外形尺寸

擴散硅壓力變送器選型
擴散硅壓力變送器電氣連接


擴散硅壓力變送器訂貨須知
用戶訂貨需注明型號與測量范圍
用戶應注明介質名稱、溫度等相關參數被測介質與傳感器和密封圈可共存
更洋細的使用和安裝請參閱隨機使用說明書